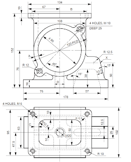
Pump Housing

This model was actually a challenge to my friend Jatin Sapra who recently started CAD (NX). He was not practicing enough so I had to make sure he does. Used a drawing file from my own Facebook page and modeled it. Challenge for me was to model it in as many CAD softwares as possible. Finally successfully modeled it in SolidWorks / NX / CreoElements / Autodesk Inventor /CATIA.












No comments:

Post a Comment